Pagar Otomatis Menggunakan Arduino : Skema pengisian galon otomatis berbasis arduino 20 thoughts on pengisi galon otomatis menggunakan arduino.

Pagar Otomatis Menggunakan Arduino : Skema pengisian galon otomatis berbasis arduino 20 thoughts on pengisi galon otomatis menggunakan arduino.. Perancangan block diagram penyiram tanaman otomatis. Pada artikel sebelumnya saya sudah berbagi mengenai cara menampilkan karakter pada lcd kali ini saya akan berbagi mengenai jemuran otomatis berbasis arduino uno r3 dengan menggunakan tenaga matahari. Power pada arduino menggunakan adaptor 12v, ini sesuai dengan datasheet arduino ketika ingin menggukan output power 5v pada tiap piranti arduino 3. 31 balasan ke tutorial membuat alat penghitung barang otomatis menggunakan arduino dan sensor jarak inframerah. Sebelum saya memulai project lampu led berjalan menggunakan arduino uno, saya mengucapkan selamat hari raya idul adha 1437 h oke, balik lagi pada topik kita hari ini project sekarang saya akan menggunakan dari pin 0 sampai 4 pada arduino uno untuk menyalakan.

Nah kali ini saya akan membuat proyek sederhana menggunakan arduino uno. Selain itu di dalamnya sudah ada bootloader yang akan menangani upload program. Alarm pintu menggunakan arduino dan sensor ultrasonik. Dari segi peralatan input digunakan sensor pir (passive infrared receiver) yang dapat mendeteksi adanya manusia yang akan mendekati pintu. Penelitian tentang system pengendali pintu/pagar otomatis telah banyak dilakukan menggunakan berbagai macam metode dan pengklasifikasian.

Ini Dia Cara Membuat Palang Pintu Otomatis Berbasis Arduino Menggunakan Ultrasonic Transceiver Dan Motor Servo Contractindo
Ini Dia Cara Membuat Palang Pintu Otomatis Berbasis Arduino Menggunakan Ultrasonic Transceiver Dan Motor Servo Contractindo from firmareza.files.wordpress.com
Arduino uno memiliki pin yang cukup untuk digunakan pada project ini. Pada kesempatan kali ini saya akan menjelaskan mengenai bagaimana cara membuat sebuah alat menggunakan arduino untuk buka tutup pagar otomatis menggunakan. Saklar otomatis menggunakan arduino uno dan sensor gerak (pir). Sistem kedua menggunakan rf yang diibaratkan dapat membuka pagar dengan otomatis ketika mobil datang ingin masuk dan ingin keluar. Lampu ini di gunakan untuk lampu luar rumah dan dikendalikan dengan arduino dan rtc sebagai waktu nyala dan matinya. Pada rangkaian elektronik pagar otomatis yang terdiri dari tiga sistem di pengaruhi oleh beberapa hal yaitu : Alarm pintu menggunakan arduino dan sensor ultrasonik. Cara membuat pintu otomatis berbasis arduino dan sensor 13 09 2019 hai hai hai halo sahabat indobot apa kabar nih masih tugas akhir pintu otomatis menggunakan arduino berbasis.

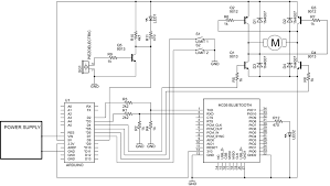
Pengontrolan motor dan led indikator melalui arduino menggunakan sensor bluetooth dan photodioda dapat bekerja dengan baik.

Maka sistem akan memproses menampilkan sebuah. Pada rf dipengaruhi oleh jenis. Nah kali ini saya akan membuat proyek sederhana menggunakan arduino uno. Seiring perkembangan teknologi elektronika, pintu pagar dapat dibuka dan ditutup secara otomatis menggunakan remote control. Alarm pintu terkontrol arduino ini dapat dipasang di dekat pintu untuk mendeteksi keberadaan siapa pun di pintu. Perancangan dan implementasi pengendali pintu pagar otomatis berbasis arduino. Sistem ini memiliki 3 bagian yang paling penting yaitu sensor, mikrokontroler, dan pompa air mini. Saklar otomatis menggunakan arduino uno dan sensor gerak (pir). Teknologi mesin kunci pintu pagar otomatis yang mudah dan. Sistem penyiram tanaman otomatis ini berfungsi untuk mempermudah manusia menyiram tanamannya. Membuat stopwatch sendiri menggunakan arduino uno dan lcd 16x2. Ingat, karena motor menggunakan 12v/1a, maka setidak nya kita harus menggunakan power supply 12v/2a, agar power supply tidak drop karena. Secara rangkaian alat ini sangat sederhana hanya menggunakan sebuah arduino dan sebuah transistor 2n2222 ditambah motor pemompa air khusus yang bertegangan 12 volt, tentu hal ini sangat mudah untuk diaplikasikan berikut ini skema/diagram rangkaian penyiram tanaman indoor otomatis

Maka sistem akan memproses menampilkan sebuah. Alarm pintu terkontrol arduino ini dapat dipasang di dekat pintu untuk mendeteksi keberadaan siapa pun di pintu. Kali ini saya mau share soal membuat lampu otomatis di rumah untuk 2 titik. Sistem ini memiliki 3 bagian yang paling penting yaitu sensor, mikrokontroler, dan pompa air mini. Rangkaian pengaturan kecepatan motor dc.

Membuat Pintu Gerbang Otomatis Dengan Arduino Nofgi Piston
Membuat Pintu Gerbang Otomatis Dengan Arduino Nofgi Piston from nofgipiston.files.wordpress.com
Perancangan dan implementasi pengendali pintu pagar otomatis berbasis arduino. Penelitian tentang system pengendali pintu/pagar otomatis telah banyak dilakukan menggunakan berbagai macam metode dan pengklasifikasian. Pada rf dipengaruhi oleh jenis. Dengan menggunakan rangkaian ini, maka dapat membuka dan menutup pintu pagar rumah secara otomatis secara efektif dan efisien. Pembuka atap otomatis dikembangkan dengan mengunakan mikrokontroler arduino uno. Jemuran otomatis arduino membutuhkan sensor ldr, sensor hujan dan sebuah motor, untuk program arduino nya bisa di lihat pada artikel ini. Lampu ini di gunakan untuk lampu luar rumah dan dikendalikan dengan arduino dan rtc sebagai waktu nyala dan matinya. Rangkaian pengaturan kecepatan motor dc.

Alarm pintu menggunakan arduino dan sensor ultrasonik.

Berikut alur diagram blok, flowchart dan gambar rangkaian dari project lampu otomatis menggunakan ldr berbasis arduino nano. Seiring perkembangan teknologi elektronika, pintu pagar dapat dibuka dan ditutup secara otomatis menggunakan remote control. Panduan praktis mempelajari aplikasi mikrokontroler dan pemrogramannya menggunakan arduino. Pada artikel sebelumnya saya sudah berbagi mengenai cara menampilkan karakter pada lcd kali ini saya akan berbagi mengenai jemuran otomatis berbasis arduino uno r3 dengan menggunakan tenaga matahari. Jemuran otomatis arduino membutuhkan sensor ldr, sensor hujan dan sebuah motor, untuk program arduino nya bisa di lihat pada artikel ini. Sistem penyiram tanaman otomatis ini berfungsi untuk mempermudah manusia menyiram tanamannya. Alarm pintu terkontrol arduino ini dapat dipasang di dekat pintu untuk mendeteksi keberadaan siapa pun di pintu. Secara rangkaian alat ini sangat sederhana hanya menggunakan sebuah arduino dan sebuah transistor 2n2222 ditambah motor pemompa air khusus yang bertegangan 12 volt, tentu hal ini sangat mudah untuk diaplikasikan berikut ini skema/diagram rangkaian penyiram tanaman indoor otomatis Bisa menggunakan segala jenis arduino (uno, nano, mega, mini, dll), karena penomoran pinnya sama. Lampu ini di gunakan untuk lampu luar rumah dan dikendalikan dengan arduino dan rtc sebagai waktu nyala dan matinya. Ingat, karena motor menggunakan 12v/1a, maka setidak nya kita harus menggunakan power supply 12v/2a, agar power supply tidak drop karena. Kali ini saya mau share soal membuat lampu otomatis di rumah untuk 2 titik. Rancang bangun ini dibuat menggunakan papan mikrokontroller arduino yang dihubungkan dengan remote control wireless rf315 sebagai media input nya.

Dengan menggunakan rangkaian ini, maka dapat membuka dan menutup pintu pagar rumah secara otomatis secara efektif dan efisien. Kesimpulan • arduino uno digunakan karena kemudahan koneksi kabel jumper yang dapat langsung dihubungkan ke mikrokontroller. Dari segi peralatan input digunakan sensor pir (passive infrared receiver) yang dapat mendeteksi adanya manusia yang akan mendekati pintu. Perancangan block diagram penyiram tanaman otomatis. Skema pengisian galon otomatis berbasis arduino 20 thoughts on pengisi galon otomatis menggunakan arduino.

Si1233472982 Widuri
Si1233472982 Widuri from 1.bp.blogspot.com
Sebelum saya memulai project lampu led berjalan menggunakan arduino uno, saya mengucapkan selamat hari raya idul adha 1437 h oke, balik lagi pada topik kita hari ini project sekarang saya akan menggunakan dari pin 0 sampai 4 pada arduino uno untuk menyalakan. Sistem kedua menggunakan rf yang diibaratkan dapat membuka pagar dengan otomatis ketika mobil datang ingin masuk dan ingin keluar. 31 balasan ke tutorial membuat alat penghitung barang otomatis menggunakan arduino dan sensor jarak inframerah. Lampu ini di gunakan untuk lampu luar rumah dan dikendalikan dengan arduino dan rtc sebagai waktu nyala dan matinya. Pada rf dipengaruhi oleh jenis. Skema pengisian galon otomatis berbasis arduino 20 thoughts on pengisi galon otomatis menggunakan arduino. Perancangan block diagram penyiram tanaman otomatis. Power pada arduino menggunakan adaptor 12v, ini sesuai dengan datasheet arduino ketika ingin menggukan output power 5v pada tiap piranti arduino 3.

Seiring perkembangan teknologi elektronika, pintu pagar dapat dibuka dan ditutup secara otomatis menggunakan remote control.

Perancangan dan implementasi pengendali pintu pagar otomatis berbasis arduino. Kali ini saya mau share soal membuat lampu otomatis di rumah untuk 2 titik. Nah kali ini saya akan membuat proyek sederhana menggunakan arduino uno. Alarm pintu terkontrol arduino ini dapat dipasang di dekat pintu untuk mendeteksi keberadaan siapa pun di pintu. Lampu ini di gunakan untuk lampu luar rumah dan dikendalikan dengan arduino dan rtc sebagai waktu nyala dan matinya. Pengontrolan motor dan led indikator melalui arduino menggunakan sensor bluetooth dan photodioda dapat bekerja dengan baik. Alarm pintu menggunakan arduino dan sensor ultrasonik. Sebelum saya memulai project lampu led berjalan menggunakan arduino uno, saya mengucapkan selamat hari raya idul adha 1437 h oke, balik lagi pada topik kita hari ini project sekarang saya akan menggunakan dari pin 0 sampai 4 pada arduino uno untuk menyalakan. Rangkaian pengaturan kecepatan motor dc. Power pada arduino menggunakan adaptor 12v, ini sesuai dengan datasheet arduino ketika ingin menggukan output power 5v pada tiap piranti arduino 3. 31 balasan ke tutorial membuat alat penghitung barang otomatis menggunakan arduino dan sensor jarak inframerah. Panduan praktis mempelajari aplikasi mikrokontroler dan pemrogramannya menggunakan arduino. Lampu otomatis yang dapat menyala pada malam hari yang dapat kita temui adalah lampu taman, lampu jalan dan lainnya.

Related : Pagar Otomatis Menggunakan Arduino : Skema pengisian galon otomatis berbasis arduino 20 thoughts on pengisi galon otomatis menggunakan arduino..